Котел 1250 кВт на дровах в Кызылорде

1250 кВт котел на дровах
Котел на дровах 1250 кВт
Чертеж котла на дровах 1250 кВт с колосниками
Котел на дровах 1250 кВт с колосниками чертеж
Чертеж котла на дровах 1250 кВт с ОУР
Котел на дровах 1250 кВт с ОУР чертеж
Котел 1250 кВт на дровах - обмуровка
Обмуровка котла на дровах 1250 кВт
Шибер газохода к котлу 1250 кВт на дровах
Шибер газохода котла на дровах 1250 кВт
Котлы 1250 кВт на дровах - производство
Производство котлов на дровах 1250 кВт
Котел 1250 кВт на дровах - изготовление
Изготовление котла на дровах 1250 кВт
Котел 1250 кВт на дровах - топка с охлаждаемыми колосниками
Топка с охлаждаемыми колосниками котла на дровах 1250 кВт
Котел КВД-1250 кВт на дровах - колосниковая топка
Колосниковая топка котла на дровах 1250 кВт
Чертеж фундамента котла на дровах 1250 кВт с колосниками
Котел на дровах 1250 кВт с колосниками фундамент
Чертеж фундамента котла на дровах 1250 кВт с ОУР
Котел на дровах 1250 кВт с ОУР фундамент
1250 кВт котел на дровах
Чертеж котла на дровах 1250 кВт с колосниками
Чертеж котла на дровах 1250 кВт с ОУР
Котел 1250 кВт на дровах - обмуровка
Шибер газохода к котлу 1250 кВт на дровах
Котлы 1250 кВт на дровах - производство
Котел 1250 кВт на дровах - изготовление
Котел 1250 кВт на дровах - топка с охлаждаемыми колосниками
Котел КВД-1250 кВт на дровах - колосниковая топка
Чертеж фундамента котла на дровах 1250 кВт с колосниками
Чертеж фундамента котла на дровах 1250 кВт с ОУР
Цена
6 658 920 ₸
От 6 658 920 ₸ с доставкой до г.
Логотип WhatsApp Связаться
по WhatsApp
  • Котел для работы на дровах, досках, поддонах и других крупных кусковых отходах
  • Объемная и высокая топка для загрузки большого количества дров при одной закладке
  • Возможно изготовление дверок по индивидуальным размерам для удобной загрузки топлива

Технические характеристики

МаркаКотел 1250 кВт на дровах
ВидВодогрейный
Тип отопительного котлаТвердотопливный
БрендHEATEXPERT
ТипКотел КВД
Вид топкиРучная, Колосники, ОУР
Максимальная тепловая мощность1.25 МВт
Максимальная тепловая мощность1250 кВт
Максимальная тепловая мощность1.07 Гкал
Диапазон регулирования мощности50-100 %
ТопливоТвердое, Дрова
Низшая теплота сгорания проектного топлива2440 кКал/кг
Влажность топлива40 %
КПД котла на ДРОВАХ, не меннее80 %
Расход ДРОВ среднечасовой за отопительный сезон316 кг/ч
Расход ДРОВ среднечасовой за отопительный сезон0.66 м³/ч
Расход ДРОВ при максимальной нагрузке котла553 кг/ч
Расход ДРОВ при максимальной нагрузке котла1.15 м³/ч
Расход условного топлива193 кг/ч
Минимальная температура воды на входе в котел55 °С
Максимальная температура воды на выходе из котла115 °С
Давление воды, не более0.3-0.6 (3-6) МПа (кгс/см²)
Номинальный расход теплоносителя43 м³/ч
Расход теплоносителя через котел min-max32-54 м³/ч
Гидравлическое сопротивление при номинальном расходене более 0.07 (0.7) МПа (кгс/см²)
Аэродинамическое сопротивление165 (16.5) Па (мм. вод. ст.)
Разряжение в топочной камере20-40 (2-4) Па (мм. вод. ст.)
Объем уходящих газов5220 м³/ч
Температура уходящих газов250 °С
ТягаУравновешенная
Водяной объем котла770 л
Объем топочной камеры3.77 м³
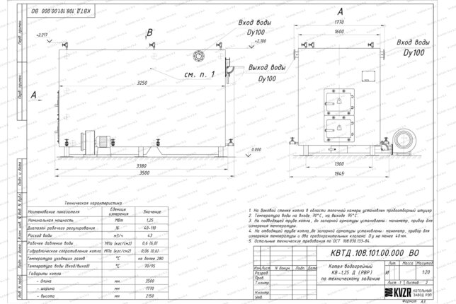
Размер топочной камеры, длина*ширина*высота1705х1300х1700 мм
Активная площадь решетки горения2.22 м²
Присоединительные размеры по водяному тракту100 Ду
Присоединительные размеры газохода уходящих газов, ширина*высота / сечение600х300 / 0.18 мм/м²
Габаритные размеры котла, длина*ширина*высота3085х1930х2250 мм
Масса2670 кг
Конструкция котлаВодотрубная
Количество контуровОдноконтурный
РазмещениеНапольный
Тип камеры сгоранияОткрытый
УправлениеЭлектронное
Принцип работы твердотопливного котлаКлассический
ЭнергонезависимыйНет
Тип питанияТрехфазное
Встроенный циркуляционный насосНет
Встроенный расширительный бакНет
ЭнергоэффективностьВысокая
Отапливаемая площадьот 10400 до 13600 м²
Отапливаемый объемот 31200 до 40800 м³
Размеры корпуса котла, длина*ширина*высота мм

Твердотопливный котел на дровах 1250 кВт в Кызылорде

Промышленный отопительный котел на дровах мощностью 1250 кВт нагревает воду температурой 115 °С, применяется для отопления и горячего водоснабжения маленьких и больших помещений и зданий. Используется в котельных с ручными топками.

Водогрейный котел 1250 подходит для сжигания дров, поддонов, досок и других древесных кусковых отходов. Большой объем топочной камеры и оптимальная высота обеспечивает полное выгорание топлива. Объемная зона загрузки и горения позволяет укладывать большое количество дров при одной закладке.

Конструкция дровяного котла 1250 кВт

Стальной водонагревательный дровяной котел 1250 кВт - напольный, горизонтальный с ручной топкой. Передняя нижняя часть теплоагрегата – это чугунная колосниковая или стальная водоохлаждаемая топка. В задней части трубной системы установлены конвективные пакеты. Наружная изоляция выполняется стальными листами с огнестойкими плитами. Для очистки конвективной части имеется люк. На фронтовой плите устанавливаются две дверки, расположенные одна над другой.

Топочная часть

Топочная камера нагревательного котла 1250 кВт на дровах выполнена из стальных водоохлаждаемых панелей для предотвращения деформации конструкции. Газоплотное исполнение топки исключает присосы холодного воздуха и выбивание горячих газов за пределы котла, повышая его КПД. В дополнительной поворотной камере, установленной на выходе из топки перед конвективным пучком происходит догорание легких и мелких топливных древесных частиц.

Колосниковая топка

Чугунные колосники собираются в решетку для поддержания слоя топлива, подачи воздуха в топку для горения и отделения зольника от топливной камеры. Отверстия в колосниках необходимы для удаления золы. Чтобы отверстия не забивались, снизу они расширяются. Дрова забрасываются на решетку через верхнюю дверцу. Верхняя загрузка способствует равномерному заполнению топочной камеры и контролю процесса горения. Под колосниками находится зольный короб с дверкой для чистки.

Водоохлаждаемая топка

Водоохлаждаемая топка состоит из труб наполненных водой, между которыми приварены полосы металла с отверстиями. Отверстия способствуют равномерному распределению воздуха по всей площади. Маленький размер отверстий не дает провалиться в зольник недогоревшему топливу. Дрова находятся в топке до полного их прогорания. Охлаждение колосников предохраняет их от перегрева и прогорания.

Конвективная часть

Конвективная поверхность производственного водотрубного котла 1250 кВт на дровах выполнена из плотных регистров, вставленных друг в друга в шахматном порядке. Это обеспечивает значительную нагревательную площадь и высокий коэффициент передачи тепла. В связи с этим горячие дымовые газы подвергаются охлаждению до 180-1250 °С.

Гидравлическая схема котла

Конструкция твердотопливного дровяного котла 1250 кВт для отопления предполагает минимальные требования к водоподготовке. Скорость движения воды в трубах вызывает турбулизацию водного потока, что препятствует отложению солей и образованию накипи на стенках труб. Коллекторы котла снабжены многочисленными перегородками, которые не допускают образование застойных зон, возникновение теплового напряжения в трубах и перегрев.

Купить дровяной котел 1250 кВт

Для того, что бы купить котел на дровах 1250 кВт в Кызылорде вы можете сделать заявку по телефону +7-7172-69-59-73, либо оформить заявку онлайн. Менеджеры дадут консультацию по подбору вспомогательного оборудования для выбранных вами моделей и рассчитают стоимость доставки. Транспортирование котлоагрегата и вспомогательного оборудования до объекта осуществляется автомобильным транспортом.

Комплект поставки

Вентилятор
Вентилятор 2,5 с дв. 4/3000
1 штука
Затвор Ду 100
Затвор Ду 100
2 штуки
Колосники котлов
Колосник 1180x220
8 штук
Предохранительный клапан 17с28нж Ду 50
Клапан предохранительный 17с28нж Ду 50
1 штука
Клапан обратный
Клапан обратный
1 штука
Манометр МП 160
Манометр МП 160
2 штуки
Кран трехходовой ДУ 15
Кран Ду 15
2 штуки
Термометр ТТЖО
Термометр ТТЖО
2 штуки
Оправа термометра ОПТ
Оправа ОПТ
2 штуки
Вентиль Ду 15
Вентиль Ду 15
5 штук
Вентиль Ду 20
Вентиль Ду 20
7 штук

Дополнительно потребуется

Насос К консольный
К 80-65-160
Цена 455 376 тг.
Насос К консольный
К 50-32-125
Цена 283 656 тг.
Насос TD
Насос TD40-36G2 (5.5 кВт)
Цена 1 225 572 тг.
Насос TD
Насос TD80-29G2 (7.5 кВт)
Цена 1 294 896 тг.
Насос CHL
Насос CHL4-40 (0.75 кВт)
Цена 352 344 тг.
Дымосос ДН 6.3
Цена 644 904 тг.
Золоуловитель ЗУ 1.0
Цена 387 960 тг.
Дымосос ДН 8
Цена 1 380 756 тг.

Похожая продукция

Котел 1250 кВт дрова уголь
Цена 5 863 920 тг.
Угольный котел 1250 кВт
Цена 5 628 600 тг.
На опилках котел 1250 кВт
Цена 14 742 480 тг.
1100 кВт котел на дровах
Цена 6 022 920 тг.
1450 кВт котел на дровах
Цена 7 072 320 тг.

Сертификаты товара

Сертификат на водогрейные котлы на твердом и жидком топливе
Сертификат на водогрейные котлы на твердом топливе

Собственное производство

Котельный завод производит
  • Паровые котлы от 300 кг до 2.5 тонны пара в час
  • Промышленные водогрейные котлы от 150 КВт до 4 МВт на всех видах топлива
  • Механические топки ТШПМ, шурующая планка и ТЛПХ, ленточное полотно прямого хода
  • Циклоны для очистки воздуха и дымовых газов для производств и промышленных отраслей
  • Транспортеры и системы топливоподачи и шлакоудаления
Подробнее о производстве
Собственное производство
Смотреть видео
с производства